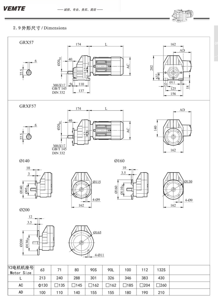
以下是R02減速機、RF02齒輪減速機、RXF02立式減速機以及RX02臥式斜齒輪減速機的一些具體的型號以及安裝尺寸圖紙
| R02DM63S | RXF02DM63S | RX02DM63S |
| R02DM63M | RXF02DM63M | RXF02DM80M1 |
| R02DM63L | RXF02DM63L | RXF02DM80M2 |
| R02DM71M | RXF02DM71M | RXF02DM90S |
| R02DM80M1 | RF02DM63S | RX02DM80M1 |
| R02DM80M2 | RF02DM63M | RX02DM80M2 |
| RF02DM112M | RF02DM63L | RX02DM90S |
| RF02DM132S | RF02DM71M | RX02DM90L |
| RF02DM132M | RF02DM80M1 | RX02DM100M |
| R02DM100L | R02DM90S | RX02DM100L |
| R02DM112M | R02DM90L | RX02DM112M |
| R02DM132S | R02DM100M | RX02DM132S |
| R02DM132M | RX02DM63M | RX02DM132M |
| RF02DM80M2 | RX02DM63L | RXF02DM90L |
| RF02DM90S | RX02DM71M | RXF02DM100M |
| RF02DM90L | RXF02DM112M | RXF02DM100L |
| RF02DM100M | RXF02DM132S | RXF02DM132M |
下一篇:R03系列齒輪減速機型號上一篇:R01系列斜齒輪減速機型號
















