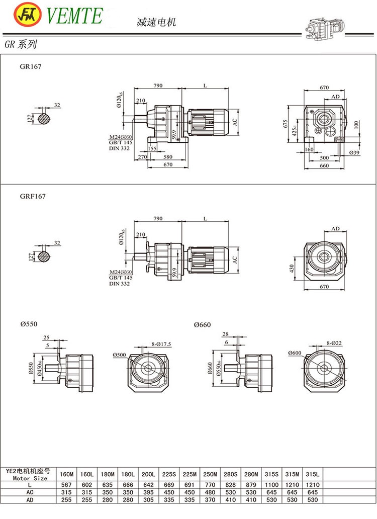
這是TR168減速機以及TRF168齒輪減速器的具體的型號以及匹配的安裝尺寸圖紙。而TR168系列減速箱對應的大眾的型號為R系列減速機的R167減速箱。
| TRF168-Y75-4P | TRF168-Y30-4P | TRF168-Y11-4P |
| TRF168-Y70-4P | TRF168-Y37-4P | TRF168-Y15-4P |
| TRF168-Y110-4P | TRF168-Y45-4P | TRF168-Y18.5-4P |
| TR168-Y22-4P | TRF168-Y55-4P | TRF168-Y22-4P |
| TR168-Y30-4P | TR168-Y70-4P | TR168-Y11-4P |
| TR168-Y37-4P | TR168-Y110-4P | TR168-Y15-4P |
| TR168-Y45-4P | TR168-Y132-4P | TR168-Y18.5-4P |
| TR168-Y55-4P | TR168-Y75-4P | TRF168-Y132-4P |
下一篇:TF38系列齒輪減速機型號上一篇:TR148系列齒輪減速機型號
此文關鍵字:TR168系列齒輪減速機型號
















